electronic:simple_white_noise_generator
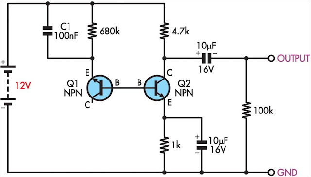
White noise generator are very usefull while correcting audio frequency “response” of a room. The collector of the transistor Q1 is left open (this is not a mistake!)
Q1 and Q2 are not critical, a pair of 2N2222 are working fine.
electronic/simple_white_noise_generator.txt · Last modified: (external edit)
